.jpg)
Động cơ đĩa DC Baumüller là động cơ nam châm vĩnh cửu với rôto không lõi và cổ góp hình trống, tạo cho chúng có quán tính thấp và đặc tính chạy năng động cao. Chúng dễ dàng kiểm soát trên toàn bộ dải tốc độ và duy trì độ đồng tâm chính xác, ngay cả ở tốc độ rất thấp dưới một vòng / phút.
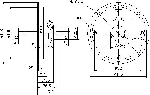
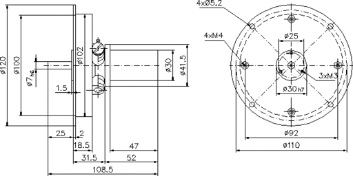
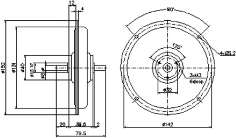
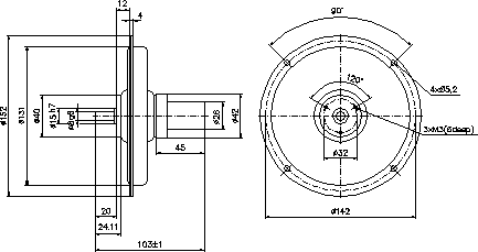
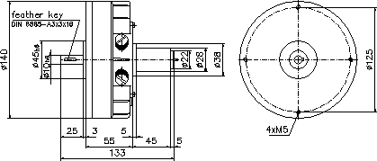
Những động cơ này được đặc trưng trước hết bởi thiết kế nông, tiết kiệm không gian của chúng. Trong loại cấu trúc ngắn nhất của chúng, chỉ cần 39,5 mm không gian lắp đặt theo hướng trục. Xét về không gian lắp đặt liên quan đến công suất động cơ có thể đạt được, động cơ GDM 12 N là động cơ đĩa mỏng nhất và nhỏ gọn nhất trên thế giới.
Ưu Điểm:
- Khả năng quá tải cao nhờ dây quấn chắc chắn với cổ góp hình trống
- Mô-men xoắn cao thông qua nam châm vĩnh cửu NdFeB
- Hiệu suất cao trong một thiết bị nhỏ với thiết kế cực ngắn
- Tính năng động cao do khả năng quá tải cao
- Độ gợn sóng mô-men xoắn rất thấp do cán bộ thu
- Độ mòn bàn chải cacbon rất thấp do điện cảm phần ứng
- Không phát hiện do rôto không lõi
- Mô men xoắn hầu như không đổi trên một dải tốc độ rộng
- Dễ dàng kiểm soát
- Có sẵn tùy chọn với phanh, máy đo tốc độ, bộ mã hóa, bánh răng
| PN [kW] | nN [min-1] | J [kgcm²] | M0 [Nm] | |
| GDM-10 F | 0.1 | 4800 | 1.2 | 0.2 |
| GDM-10 N | 0.142 | 3000 | 1.2 | 0.45 |
| GDM-12 N | 0.147 | 2000 | 2.7 | 0.7 |
| GDM-12 Z | 0.072 | 3000 | 2.1 | 0.23 |
| GDM-75 Z | 0.016 | 3000 | 0.5 | 0.05 |
| GDM-80 F | 0.044 | 4200 | 0.7 | 0.1 |
| GDM-80 N | 0.071 | 2700 | 0.7 | 0.25 |
| GDM-9 K | 0.032 | 3000 | 0.6 | 0.1 |
Có thể thay đổi. Dữ liệu đã nêu là giá trị lớn nhất.
Để biết chi tiết, vui lòng xem trong tài liệu kỹ thuật.
|
Motortype |
Daten |
Mn |
Nn |
Pn |
Un |
In |
Ke |
Kt |
R |
L |
J |
tm |
Fa |
Fr |
m |
article-code |
|
9K |
|
0,080 |
3.000 |
25 |
24 |
1,6 |
5,90 |
0,057 |
3,20 |
0,17 |
0,60 |
53,0 |
80 |
130 |
0,71 |
|
|
12Z |
|
0,160 |
3.500 |
59 |
24 |
3,7 |
5,50 |
0,052 |
1,50 |
0,07 |
2,30 |
110,0 |
170 |
220 |
1,25 |
|
|
75Z |
|
0,045 |
3.000 |
14 |
24 |
1,1 |
5,40 |
0,052 |
7,50 |
1,20 |
0,50 |
126,0 |
75 |
120 |
0,48 |
|
|
120F |
|
0,300 |
4.000 |
126 |
24 |
8,8 |
4,30 |
0,041 |
0,60 |
0,05 |
2,60 |
90,0 |
290 |
310 |
2,60 |
|
|
120N |
|
0,750 |
3.200 |
270 |
24 |
15,0 |
5,80 |
0,056 |
0,22 |
0,05 |
3,60 |
27,3 |
290 |
310 |
3,00 |
|
|
120N2 |
1,100 |
3.000 |
350 |
24 |
17,1 |
7,20 |
0,069 |
0,09 |
0,01 |
3,60 |
6,8 |
290 |
310 |
3,00 |
|
|
|
140 |
|
1,200 |
3.000 |
370 |
79 |
6,2 |
23,70 |
0,226 |
0,90 |
0,04 |
5,10 |
8,5 |
300 |
300 |
6,00 |
|
|
160 |
1,900 |
3.000 |
600 |
108 |
6,7 |
33,30 |
0,318 |
0,92 |
0,11 |
8,80 |
7,7 |
300 |
300 |
8,00 |
MGDM160/816/063 |
Các động cơ cũng có sẵn với bộ mã hóa quang học.
Bánh răng phù hợp : KEMA 750 cho GDM 75Z, 9K
: KEMA 2000 cho GDM 12Z, 120F
Tachos T 505 phù hợp : GDM 75Z đến 120F
Lớp cách ly : F
Bảo vệ : IP 44
|
GDM 9K |
GDM 9K + T 505 |
|
GDM 12Z |
GDM 12Z + T 505 |
|
GDM 75K |
GDM 75K + T 505 |
|
GDM 120F/N/N2 |
GDM 120F/N/N2 + T 505 |




Ms Liên
lientran87






